[切换城市]
[登录]
[注册]
热门搜索:
晨光
文件夹
资料册
墨盒
硒鼓
齐心
得力
0471-4930187
全部商品分类
首页
购物车
购物车共 0 件商品,总计 0.00元
去结算
721806038
1486635646
顶部
文具
书写工具
中性笔
圆珠笔
铅笔
荧光笔
白板笔
记号笔
毛笔
钢笔墨水
钢笔
粉笔
替芯
笔芯
文件管理
文件夹
档案盒
文件袋
资料册
名片册/盒
文件架/盘
风琴包
票夹/盒
抽杆夹
板夹
文件框
手提包
财会用品
账本帐页
单据凭证
计算器
印台印油
皮筋
印章
复写纸
海绵缸
桌面用品
订书机
针钉用品
剪刀
长尾夹
美工刀
削笔器
胶水胶棒
笔筒笔座
打孔起钉
便签纸
胶带
笔袋
桌牌
号码机
记事本
笔记本
奖状证书
信封信笺
线圈本
胸卡胸牌
装订包装
封箱器
装订胶圈
塑封膜
装订针
推夹器
塑封机
装订设备
优惠活动
纸品
封皮纸
180克
230克
260克
打印纸
电脑打印
小票收银
热敏传真
喷墨相片
热敏纸
标签打印纸
复印纸
A4纸
A3纸
A1纸
特殊尺寸
彩色复印
优惠活动
耗材
硒鼓粉盒
三星
惠普佳能
兄弟
联想
爱普生
富士施乐
京瓷
松下
理光
晨光硒鼓
硒鼓
粉盒
墨盒
爱普生
惠普
三星
施乐
佳能
兄弟
联想
绘威
晨光墨盒
其他耗材
硒鼓加粉
色带
墨水
色带架
碳粉
粉盒
喷墨盒
优惠活动
设备
打印复印
多功能一体机
打印机
复印机
针式打印机
小票打印
支票打印
3D打印
喷墨打印机
激光打印机
彩色打印机
条码打印机
热式打印机
扫描设备
平板扫描
馈纸扫描
高拍仪
扫描枪
条码扫描
仪器配件
扫描仪
投影设备
投影仪
投影幕布
电子白板
演示笔
投影配件
翻页笔
激光笔
投影机吊架
财务设备
装订设备
切纸机
碎纸机
验钞机
收款机
考勤安防
考勤机
安防监控
镜头
安防系统
门禁系统
会议通讯
电话类
对讲机
录音笔
传真机
音响
摄像头
提词器
耳机
执法记录仪
视频会议终端
信号屏蔽器
功率放大器/专业功放
音响电视组合
翻译笔
视频会议系统设备
其他视频会议系统设备
IT产品
台式计算机
笔记本电脑
平板电脑
电脑配件
触控一体机
服务器
屏幕类
防火墙
网络检测设备
交换机
计算机工作站
触摸式终端设备
机箱
显卡
显示器
便携式计算机
路由器
液晶显示器
平板式微型计算机
LED屏
数据存储
U盘
刻录盘
移动硬盘
存储卡
数据线
刻录机
读卡器
光盘
数码产品
数码相机
单反相机
数码配件
摄像机
单电微单
无人机
智能手机
三脚架及配件
通用摄像机
保管柜
电器设备
电源设备
开关电器设备
通信设备
光传输设备
优惠活动
劳保
手套
劳保手套
防护手套
工作手套
其他线手套
工装
办公服
礼宾服
劳动服
防尘服
鞋帽
正装鞋
工装鞋
太阳帽
安全帽
防尘帽
作业工具
五金工具
电动工具
搬运工具
测量工具
工具箱包
灯具电料
节能灯
开关
电线
筒灯
平板灯
一次性口罩
口罩
优惠活动
生活
洗护清洁
洗手液
洗发护发
香皂
毛巾浴巾
生活用纸
洗衣粉
清新剂
地面清洁
垃圾桶
垃圾袋
居家日用
抹布
运动户外
健身器械
球类用品
棋牌用品
户外用品
救生工具
日常用品
纸杯
收纳用品
伞/雨具
照明灯具
插排
电池
挂钟闹钟
箱包皮具
移动电源
手电筒
暖壶
手帕纸
抽纸
卷纸
厨房用品
餐具
清洗设备
喷壶
水桶
炊事机械
旗帜
零食饮品
茗茶
饮料冲调
方便食品
休闲零食
饮用水
家用电器
电视
空调
冰箱
电风扇
空气净化
饮水机
洗衣机
咖啡机
厨房电器
遥控器
电熨斗
口腔护理
加香机
影音电器
电热水龙头
除湿机
加湿器
吹风机
热水器
厨房家电配件
计时器
电声乐器
空调扇
优惠活动
家具
桌台
工位
会议桌
班台
地球仪
折叠桌
书画桌
办公桌
茶几
储物柜
保险柜
铁皮柜
木制柜
展示柜
文件柜
机柜
金属柜
手机存放柜
保密柜
更衣柜
沙发茶几
沙发
茶几
家具配套
衣帽架
资料架
其他配套
床
座椅
老板椅
会客椅
培训椅
工位椅
折叠椅
办公椅
置物架
优惠活动
积分礼品
优惠活动
浏览历史
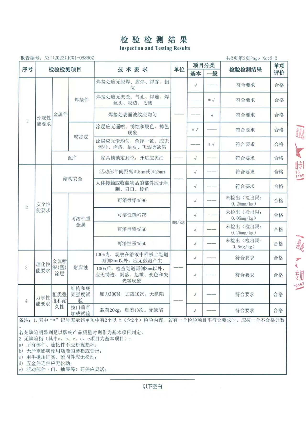
格之格 粉盒 NT-CM323 适用柯美287 367 C287 C364硒鼓粉盒 美能达BH227 7528 7522复印机粉盒 10000页
会员价:
185.00元
才进 粉盒 TL-5353 适用京瓷 P5021 系列 立思辰DK-5230 鼓架黑色 GA7530cdn粉盒 GA3530cdn成像鼓GA3531cdn复印机 GA3532cdn 3533cdn套鼓
会员价:
430.00元
晨光(M&G)印台/印泥/印油 AYZ97513 138*88mm 透明外壳 方形 快干印台印泥 财务专用 办公用品 红色单个装
会员价:
16.00元
得力(deli)印台/印泥/印油 9040 40ml 光敏印油 红色 财务印章 光敏印油 光敏印章 专用印油 办公财务印章 印台印油
会员价:
38.00元
得力(deli)文件夹 5108 A4/80页 蓝色 大容量 中小学生资料册 文件活页收纳册 插袋 档案文件夹 票证保护收纳 办公用品
会员价:
23.00元
奔图(PANTUM)粉盒 TL-413 原装粉仓 原装粉盒 适用于P3305DN M7105DN打印机 标准粉盒 1500页
会员价:
195.00元
公牛(BULL)插座 GN-605 10位总控全长3米 超功率保护 插线板 插排 排插 接线板 拖线板
会员价:
90.00元
飞利浦(PHILIPS)U盘/存储卡 11UA-M 128GB USB3.2 U盘 大容量 金属u盘 读速150MB/s 高速存储 电脑扩容 商务办公 学习
会员价:
80.00元
[清空]
当前位置:
首页
>
家具
>
储物柜
>
保密柜
>歌派 保密柜 GP-PBG16 16格壁挂款手机屏蔽柜 会议室保管存放柜 手机信号物理屏蔽柜 考场寄存保密屏蔽柜
歌派 保密柜 GP-PBG16 16格壁挂款手机屏蔽柜 会议室保管存放柜 手机信号物理屏蔽柜 考场寄存保密屏蔽柜
会员价:
2990.00元
颜色:
白色
库存充足,同城24小时送达
购买数量:
商品总价:
收藏
单件积2990.00分
服务承诺1
连锁品牌 享联网式服务
资源更多 服务更好
优质正品,原厂原装
同城配送,货到付款
满意后收货
有问题就退,不满意就换
0471-4930187
721806038
1486635646
VIP专线:
甄经理 15034906929
全国投诉信箱:
yulu@cgbangong.com
商家描述
相关商品
服务保障
新手上路
订购流程
服务说明
服务项目
配送与支付
配送说明
货到付款区域
服务保证
质量保证
售后服务
退换货原则
联系我们
投诉与建议
联系方式
在线留言
商城资讯
促销信息
办公百科
|
增值电信许可证